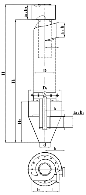
Пылеуловитель (циклон) ВЗП работает по принципу центробежной сепарации частиц из газовой среды.
Очищаемый воздух поступает в пылеуловитель двумя потоками через патрубки корпусов завихрителей верхнего и нижнего потоков воздуха. Проходя через корпусы завихрителей, воздушные потоки закручиваются в одну и ту же сторону навстречу друг другу. Пыль под действием центробежной силы отбрасывается к стенке, смывается нисходящим верхним потоком через кольцевую щель под отбойную шайбу в бункер и удаляется из него через переходник с затвором – мигалкой в пылесборник.
Очищенный воздух через центральный выхлопной патрубок выводится из пылеуловителя.
Очищаемый воздух поступает в пылеуловитель двумя потоками через патрубки корпусов завихрителей верхнего и нижнего потоков воздуха. Проходя через корпусы завихрителей, воздушные потоки закручиваются в одну и ту же сторону навстречу друг другу. Пыль под действием центробежной силы отбрасывается к стенке, смывается нисходящим верхним потоком через кольцевую щель под отбойную шайбу в бункер и удаляется из него через переходник с затвором – мигалкой в пылесборник.
Очищенный воздух через центральный выхлопной патрубок выводится из пылеуловителя.
Эффективность пылеуловителя (циклона) ВЗП — 96-99%.


| Наименование | Производительность, м3/ч | D | D1 | d | Н | Н1 | H2 |
Пылеуловитель ВЗП-400 |
3000 | 400 | 600 | 200 | 2620 | 2280 | 780 |
| Наименование | a | b | a1 | b1 | a2 | b2 | l | l1 | Масса, кг |
Пылеуловитель ВЗП-400 |
264 | 104 | 200 | 84 | 335 | 132 | 344 | 240 | 160 |


Reviews
There are no reviews yet.