[vc_row css_animation=»fadeInUp»][vc_column][vc_column_text]
Заслонки воздушные круглые с ручным управлением (А3Д 133, АЗД 136) и электроприводом (А3Д 122, АЗД 134) серии 5.904-13 предназначены для регулирования количества воздуха и невзрывоопасных газопаровоздушных смесей, агрессивность которых по отношению к углеродистым сталям обыкновенного качества не выше агрессивности воздуха с температурой до 80°С , не содержащих липких веществ и волокнистых материалов , с содержанием пыли и других твердых примесей в количестве не более 100 мг/м3 в вентиляционных системах с давлением до 1500 Па (150 кгс/м2) и скоростью перемещения среды от 6 м/с до 20 м/с.
Заслонки выполнены по чертежам типовой серии 5.904-13 ФГУП “СантехНИИпроект” Госстроя Российской Федерации. Размеры сечений заслонок соответствуют размерам поперечных сечений воздуховодов по положению 21 СНиП 2.04.05-91. Присоединительные размеры по фланцам заслонок соответствуют размерам по ГОСТ 26270-84 «Фланцы вентиляционные».
Все интересующие Вас вопросы вы можете уточнить у специалистов Серпуховского вентиляционного завода Вентмаш М по телефону +7(495) 783-72-19 или по электронной почте ventmash-m@ventmash.net.
Срок изготовления в настоящее время от 3-х дней.
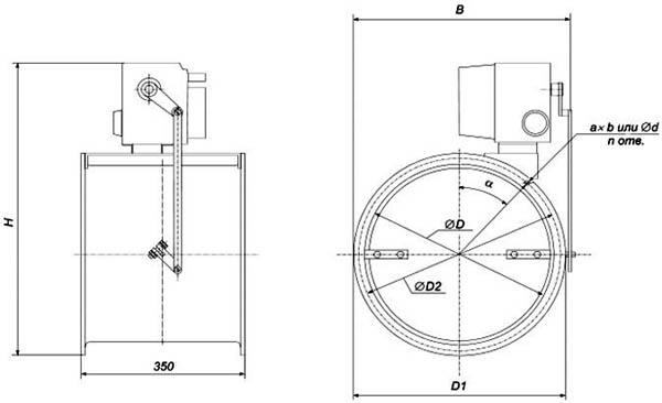
Возможно изготовление аналогов зарубежных и отечественных изготовителей.[/vc_column_text][vc_btn title=»КУПИТЬ» color=»primary» align=»center» button_block=»true» el_class=»sg-popup-id-1902″][vc_column_text]Заслонка представляет собой корпус из тонколистовой стали с двумя фланцами для присоединения к воздуховодам. Внутри корпуса на осях установлена лопатка, на которую при помощи тяги и рычага, передается движение от привода, укрепленного на корпусе заслонки. Лопатка заслонки легко поворачивается на оси на угол до 90 градусов относительно плоскости клапана. Заслонки А3Д 133 и АЗД 136 имеют ручное управление. Для заслонок А3Д 122.000-00?04 и А3Д 134.000-00?02 в качестве электропривода применяются механизмы исполнительные электрические однооборотные отечественного производства типа МЭО-16/25-0,25. В качестве импортного аналога применяются электроприводы Belimo-230-NM или Polar Beer. При установке заслонки ось лопатки должна быть расположена горизонтально.
Основные размеры и характеристики заслонок А3Д 133, АЗД 136.

| ОБОЗНАЧЕНИЕ | Шифр* | Размеры, мм | Масса,кг | |||||
|---|---|---|---|---|---|---|---|---|
| D | D1 | D2 | B | a x b | d | |||
| А3Д 133.00-00 | Р200Р | 200 | 250 | 230 | 265 | 7 x 10 | 8 | 4,85 |
| А3Д 133.00-01 | Р250Р | 250 | 300 | 280 | 315 | 6,03 | ||
| А3Д 133.00-02 | Р315Р | 315 | 365 | 345 | 380 | 7,64 | ||
| А3Д 133.00-03 | Р400Р | 400 | 456 | 430 | 468 | 10, | ||
| А3Д 133.00-04 | Р500Р | 500 | 556 | 530 | 568 | 16,08 | ||
| А3Д 136.00-00 | Р630Р | 630 | 694 | 660 | 702 | 10 x 16 | 10 | 28,5 |
| А3Д 136.00-01 | Р800Р | 800 | 864 | 830 | 872 | 37,1 | ||
| А3Д 136.00-02 | Р1000Р | 1000 | 1072 | 1040 | 1076 | 50,1 | ||
*Шифр «Р200Р» обозначает «Регулирующая заслонка нормализованного сечения воздуховода ?200 управление Ручное».
Основные размеры и характеристики заслонок АЗД 122, А3Д 134.

| ОБОЗНАЧЕНИЕ | Шифр* | Размеры, мм | ?,° | Количество, n | Привод | Масса,кг | ||||||
|---|---|---|---|---|---|---|---|---|---|---|---|---|
| D | D1 | D2 | H | B | d | a x b | ||||||
| А3Д 122.000-00 | Р200Э | 200 | 250 | 230 | 478 | 265 | 8 | 7 x 10 | 0 | 6 | МЭО-0.63/25-0,25 или Belimo-230-NM или Polar Beer |
12.57 |
| А3Д 122.000-01 | Р250Э | 250 | 300 | 280 | 518 | 315 | 7 x 10 | 6 | 13.94 | |||
| А3Д 122.000-02 | Р315Э | 315 | 365 | 345 | 571 | 380 | 7 x 10 | 8 | 15.57 | |||
| А3Д 122.000-03 | Р400Э | 400 | 456 | 430 | 641 | 465 | 7 x 10 | 18 | 10 | 18.74 | ||
| А3Д 122.000-04 | Р500Э | 500 | 556 | 530 | 711 | 565 | 7 x 10 | 18 | 10 | 24.04 | ||
| А3Д 134.000-00 | Р630Э | 630 | 694 | 660 | 760 | — | 10 | 10 x 16 | 0 | 12 | 36.2 | |
| А3Д 134.000-01 | Р800Э | 800 | 864 | 830 | 880 | — | 10 x 16 | 12 | 44.8 | |||
| А3Д 134.000-02 | Р1000Э | 1000 | 1072 | 1040 | 1024 | — | 10 x 16 | 16 | 57.9 | |||
* Шифр «Р200Э» обозначает «Регулирующая заслонка нормализованного сечения воздуховода ?200 управление Электроприводом».[/vc_column_text][/vc_column][/vc_row]