[vc_row css_animation=»fadeInUp»][vc_column][vc_column_text]
Заслонки воздушные взрывозащищенные прямоугольного (А3Д 193) и круглого сечений (А3Д 196, А3Д 197) серии 5.904-49 предназначены для регулирования количества воздуха и воздушных смесей, агрессивность которых по отношению к углеродистым сталям обыкновенного качества и латуни не выше агрессивности воздуха с температурой до 80°С , не содержащих липких веществ и волокнистых материалов , с содержанием пыли и других твердых примесей в количестве не более 100 мг/м3 в вентиляционных системах взрывоопасных производств с давлением до 1500 Па (150 кгс/м2) и скоростью перемещения среды до 20 м/с. Заслонки допускаются для перемещения взрывоопасных парогазовоздушных смесей всех категорий и групп по классификации ГОСТ 12.1.011-78 и могут устанавливаться во взрывоопасных зонах помещений, относящихся к классам В-1, В-1а, В-1б по классификации ПУЭ-76.
Все интересующие Вас вопросы вы можете уточнить у специалистов Серпуховского вентиляционного завода Вентмаш М по телефону +7(495) 783-72-19 или по электронной почте ventmash-m@ventmash.net.
Срок изготовления в настоящее время от 3-х дней.
Возможно изготовление аналогов зарубежных и отечественных изготовителей.[/vc_column_text][vc_btn title=»КУПИТЬ» color=»primary» align=»center» button_block=»true» el_class=»sg-popup-id-1902″][vc_column_text]Заслонки не допускаются для применения в вентиляционных системах, перемещающих взрывоопасные пыли, парогазовоздушные смеси от технологических установок, в которых взрывоопасные вещества нагреваются выше температуры их самовоспламенения или находятся под избыточным давлением. При установке заслонки оси лопаток должны быть расположены горизонтально.
Заслонки выполнены по чертежам типовой серии 5.904-49 ФГУП “СантехНИИпроект” Госстроя Российской Федерации. Размеры сечений заслонок соответствуют размерам поперечных сечений воздуховодов по положению 21 СНиП 2.04.05-91. Присоединительные размеры по фланцам заслонок соответствуют размерам по ГОСТ 26270-84 «Фланцы вентиляционные».
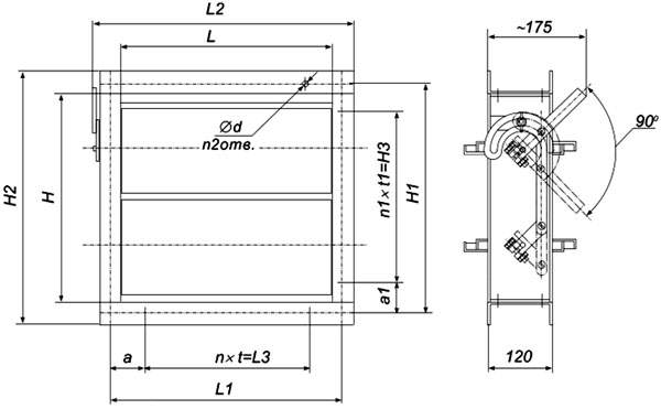
Заслонка представляет собой корпус из тонколистовой стали с двумя фланцами для присоединения к воздуховодам. Внутри корпуса на осях установлены от одной до трёх лопаток, которые при помощи механизма ручного управления открываются или закрываются. Лопатки заслонки легко поворачиваются на оси на угол до 90 градусов относительно плоскости клапана. Для предотвращения искрообразования, при работе заслонки во взрывоопасных средах, детали лопаток, контактирующие при работе с поверхностью корпуса, выполнены из латуни марки Л63. Остальные детали выполнены из стали марки Ст3. Конструктивное исполнение взрывозащиты выполнено по рекомендациям ВНИИВЭ.
Основные размеры и характеристики заслонок АЗД 193.

| ОБОЗНАЧЕНИЕ | Шифр* | Размер, мм | Масса,кг | ||||||||
|---|---|---|---|---|---|---|---|---|---|---|---|
| H | H1 | H2 | H3 | L | L1 | L2 | L3 | d | |||
| А3Д 193.000-00 | ЗВВП 250 x 250Р | 250 | 280 | 330 | — | 250 | 280 | 340 | — | 7 | 5,8 |
| А3Д 193.000-01 | ЗВВП 250 x 400Р | 400 | 430 | 490 | 340 | 7,1 | |||||
| А3Д 193.000-02 | ЗВВП 400 x 400Р | 400 | 430 | 480 | 340 | 9,9 | |||||
| А3Д 193.000-03 | ЗВВП 400 x 500Р | 500 | 530 | 590 | 465 | 10,7 | |||||
| А3Д 193.000-04 | ЗВВП 400 x 600Р | 600 | 630 | 690 | 540 | 12,0 | |||||
| А3Д 193.000-05 | ЗВВП 600 x 600Р | 600 | 630 | 680 | 540 | 10 | 16,7 | ||||
| А3Д 193.000-06 | ЗВВП 800 x 800Р | 800 | 830 | 880 | 760 | 800 | 830 | 890 | 760 | 25,0 | |
| А3Д 193.000-07 | ЗВВП 1000 x 1000Р | 1000 | 1040 | 1080 | 950 | 1000 | 1040 | 1090 | 950 | 35,0 | |
*Обозначение в шифре «ЗВВП 250х250Р» (Заслонка Воздушная Взрывозащищённая Прямоугольная нормализов. сечения воздуховода 250х250 управление Ручное) может иметь вид как «Р250х250Р» (Регулирующая заслонка нормализов. сечения воздуховода 250х250 управление Ручное).
Основные размеры и характеристики заслонок АЗД 196, А3Д 197.

| ОБОЗНАЧЕНИЕ | Шифр* | Размеры, мм | Количество, шт. | Масса, кг | |||||
|---|---|---|---|---|---|---|---|---|---|
| D | D1 | D2 | B | a x b | d | n | |||
| А3Д 196.000-00 | ЗВВК 200Р | 200 | 250 | 230 | 265 | 7 x 10 | 7 | 6 | 4.5 |
| А3Д 196.000-01 | ЗВВК 250Р | 250 | 300 | 280 | 315 | 6 | 5.5 | ||
| А3Д 196.000-02 | ЗВВК 280Р | 280 | 330 | 310 | 345 | 8 | 6.1 | ||
| А3Д 196.000-03 | ЗВВК 315Р | 315 | 345 | 345 | 380 | 8 | 7.1 | ||
| А3Д 196.000-04 | ЗВВК 355Р | 355 | 395 | 385 | 423 | 8 | 9.1 | ||
| А3Д 196.000-05 | ЗВВК 400Р | 400 | 450 | 430 | 468 | 8 | 10.5 | ||
| А3Д 196.000-06 | ЗВВК 450Р | 450 | 500 | 480 | 518 | 10 | 12.0 | ||
| А3Д 196.000-07 | ЗВВК 500Р | 500 | 550 | 530 | 568 | 10 | 13.7 | ||
| А3Д 196.000-08 | ЗВВК 560Р | 560 | 610 | 590 | 628 | 10 | 15.7 | ||
| А3Д 197.000-00 | ЗВВК 630Р | 630 | 680 | 660 | 702 | 10 x 16 | 10 | 12 | 25.3 |
| А3Д 197.000-01 | ЗВВК 710Р | 710 | 760 | 740 | 782 | 12 | 28.8 | ||
| А3Д 197.000-02 | ЗВВК 800Р | 800 | 864 | 830 | 872 | 12 | 35.1 | ||
| А3Д 197.000-03 | ЗВВК 900Р | 900 | 964 | 940 | 976 | 16 | 42.0 | ||
| А3Д 197.000-04 | ЗВВК 1000Р | 1000 | 1064 | 1040 | 1076 | 16 | 47.5 | ||
*Обозначение в шифре «ЗВВК 200Р» (Заслонка Воздушная Взрывозащищённая Круглая нормализован. сечения воздуховода ф200 управление Ручное) может иметь вид как «Р250х250Р» (Регулирующая заслонка нормализованного сечения воздуховода ф200 управление Ручное).[/vc_column_text][/vc_column][/vc_row]