[vc_row css_animation=»fadeInUp»][vc_column][vc_column_text]
Взрывозащищенные асинхронные трехфазные электродвигатели с короткозамкнутым ротором серий АИМ, В, ВА, АВ предназначены для эксплуатации во взрывоопасной окружающей среде.
Электродвигатели применяются для привода механизмов в химической, газовой, нефтедобывающей и смежных отраслях промышленности, где могут образовываться взрывоопасные смеси газов и паров с воздухом, отнесенные к категориям IIA, IIB, IIC и группам воспламеняемости Т1, Т2, Т3 и Т4 по ГОСТ 12.1.011. Область применения двигателей во взрывоопасных зонах — в соответствии с главой 7.3 ПУЭ-86.
Все интересующие Вас вопросы вы можете уточнить у специалистов Серпуховского вентиляционного завода Вентмаш М по телефону +7(495) 783-72-19 или по электронной почте ventmash-m@ventmash.net.
Возможно изготовление аналогов зарубежных и отечественных изготовителей.[/vc_column_text][vc_btn title=»КУПИТЬ» color=»primary» align=»center» button_block=»true» el_class=»sg-popup-id-1902″][/vc_column][/vc_row][vc_row css_animation=»fadeInUp»][vc_column][vc_column_text]Климатические исполнения двигателей:
- У2,5 — для экплуатации в районах с умеренным климатом при температуре окружающего воздуха от +40 до -45°С.
- Т2 — для эксплуатации в районах с тропическим климатом при температуре окружающего воздуха от +50 до -10°С.
Режим работы продолжительный (S1).Двигатели изготавливают на номинальные напряжения 220, 380 и 660В частотой 50 и 60Гц.Взрывозащищенность двигателей обеспечивается заключением активных частей во взрывонепроницаемую оболочку по ГОСТ Р 51330.1, которая выдерживает давление взрыва внутри нее и исключает передачу взрыва в окружающую среду. Это достигается применением соответствующих материалов и использованием щелевой взрывозащиты.Охлаждение двигателей обеспечивает температуру наружной поверхности оболочки, не превышающую 135 градусов С для температурного класса Т4 по ГОСТ Р 51330.0 (ГОСТ 22782.0.) Обмотка статора двигателей имеет изоляционную систему класса нагревостойкости F по ГОСТ 8865.
Исполнение по взрывозащите:
- АИМ-М 63, 71, 80 — IExdellВТ4/2ExdellCТ4
- АИМ-М 90, 100, 112, 132 — IExdellВТ4
- ВА и ВАК 100, 132, 160, 180 — 1ExdellВТ5
- ВАБ 100, 132, 160, 180 — 1ExdellВТ4
- ВА 200, ВRA 200, 225 — 1ExdellВТ4
- ВАР 132, 160 — РВ 3В
Исполнение по способу монтажа:
Двигатели серии ВА могут быть изготовлены в следующих монтажных исполнениях:
- ВА 80 — IM1081, IM1082, IM2181, IM2182, IM3681, IM3682
- ВА 132 — IM1081, IM1082, IM2081, IM2082, IM3081, IM3082
- ВА 200 — IM1081, IM1082, IM2081, IM2082, IM3011, IM3031
Структура условного обозначения УУУУ УУУ У У У У 2,5:
УУУУ — серия (АИМ, АИМР);УУУ — габарит по классификатору ЕСКД 179100 (высота оси вращения, мм);У — установочный размер по длине двигателя (S,L,M);У —А(В) —различие по мощности для одинакового типоисполнения и полюсности (А и В могут отсутствовать);У — число полюсов (2, 4, 6, 8);У — виды климатического исполнения и категория размещения.
Конструкция электродвигателя АИМ:
Электродвигатели АИМ выполнены закрытыми во взрывонепроницаемой оболочке и охлаждаются от собственного вентилятора, расположенного на валу.Электродвигатель АИМ состоит из статора, ротора, коробки выводов, подшипниковых щитов, вентилятора, кожуха и подшипников.Статор состоит из литой чугунной оребренной или стальной станины.Обмотка статора выполнена из круглого медного эмалированного провода класса нагревостойкости изоляции не ниже В по ГОСТ 8865-93.Ротор короткозамкнутый, залитый алюминием.Коробка выводов расположена сверху электродвигателя. Конструкция коробки обеспечивает поворот в плоскости установки на 90°. Коробка выводов имеет три латунных проходных контактных болта с набором гаек и шайб, которые собираются на изоляционной колодке.Электродвигатели АИМ имеют три заземляющих зажима: внутри и снаружи коробки выводов и третий — на станине.Способ охлаждения электродвигателя АИМ — ICA0141 по ГОСТ 20459-87.Исполнение электродвигателей АИМ по способу монтажа IM1081, IM2081 и IM3081 по ГОСТ 2479-79, по специальному заказу могут изготавливаться и в других исполнениях.
Технические характеристики электродвигателей ВА.
| Тип двигателя | Pn, кВт |
Об/мин | КПД, % |
Cos ? | In, А |
Un, Нм |
Мп/Un | Iпуск /In | Mvf/Mn | Mдин инерции ротора, кг-м2 |
Масса, IM 10… кг |
|---|---|---|---|---|---|---|---|---|---|---|---|
| 2р = 2, п = 3000 об/мин | |||||||||||
| ВА80МА2 | 1,5 | 2850 | 81,5 | 0,85 | 3,3 | 5 | 2,4 | 6,5 | 2,6 | 0,0018 | 38 |
| ВА80МВ2 | 2,2 | 2850 | 82 | 0,86 | 4,7 | 7,4 | 2,5 | 6,5 | 2,6 | 0,0021 | 40 |
| ВА112М2 | 7,5 | 2900 | 88 | 0,88 | 14,7 | 24,7 | 2,5 | 7,5 | 3,3 | 0,0131 | 79,5 |
| ВА132М2 | 11 | 2910 | 88 | 0,9 | 21,1 | 36,1 | 1,8 | 7,5 | 2,8 | 0,024 | 95 |
| BA160S2 | 15 | 2930 | 90 | 0,88 | 28,8 | 48,5 | 2,2 | 7 | 2,9 | 0,039 | 170 |
| ВА160М2 | 18,5 | 2930 | 90 | 0,89 | 35,1 | 60,3 | 2,4 | 7 | 3 | 0,045 | 180 |
| BA180S2 | 22 | 2910 | 88 | 0,89 | 42,7 | 72,2 | 2 | 7 | 2,7 | 0,063 | 198 |
| ВА180М2 | 30 | 2925 | 90,5 | 0,85 | 59,5 | 97,9 | 2,2 | 7,5 | 3 | 0,076 | 221 |
| ВА200М2 | 37 | 2940 | 93 | 0,89 | 68 | 120 | 2,4 | 7 | 2,8 | 0,13 | 295 |
| BA200L2 | 45 | 2940 | 93 | 0,89 | 82,6 | 146 | 2,4 | 7 | 2,8 | 0,15 | 315 |
| ВА225М2 | 55 | 2955 | 93 | 0,9 | 100,9 | 178 | 2,1 | 6,9 | 2,7 | 0,21 | 371 |
| 2р = 4, п = 1500 об/мин | |||||||||||
| ВА80МА4 | 1,1 | 1420 | 74 | 0,8 | 2,8 | 7,4 | 2,1 | 5 | 2,4 | 0,0034 | 38 |
| ВА80МВ4 | 1,5 | 1410 | 75 | 0,81 | 3,8 | 10,1 | 2,1 | 5 | 2,4 | 0,0036 | 40 |
| ВА112М4 | 5,5 | 1440 | 86 | 0,83 | 11,7 | 36,5 | 2,5 | 7 | 3 | 0,02 | 79 |
| BA132S4 | 7,5 | 1440 | 87,5 | 0,86 | 15,1 | 49,7 | 2,1 | 7 | 2,6 | 0,032 | 86 |
| ВА132М4 | 11 | 1445 | 88,5 | 0,85 | 22,2 | 72,7 | 2,3 | 7,5 | 3,2 | 0,045 | 102 |
| BA160S4 | 15 | 1450 | 89 | 0,85 | 30,1 | 98,7 | 2,2 | 6,5 | 2,6 | 0,075 | 175 |
| ВА160М4 | 18,5 | 1450 | 89,5 | 0,86 | 36,5 | 122 | 2,2 | 6,5 | 2,6 | 0,087 | 190 |
| BA180S4 | 22 | 1460 | 90 | 0,84 | 44,2 | 144 | 1,7 | 7 | 2,7 | 0,16 | 205 |
| ВА180М4 | 30 | 1460 | 90,5 | 0,85 | 59,3 | 196 | 1,7 | 7 | 2,7 | 0,2 | 234 |
| ВА200М4 | 37 | 1460 | 92 | 0,85 | 71,9 | 242 | 2,5 | 6,5 | 2,6 | 0,27 | 295 |
| BA200L4 | 45 | 1460 | 92 | 0,85 | 87,5 | 294 | 2,5 | 6,8 | 2,6 | 0,32 | 320 |
| ВА225М4 | 55 | 1475 | 93 | 0,86 | 105 | 356 | 2,3 | 6,5 | 2,5 | 0,5 | 380 |
| 2р = 6, п = 1000 об/мин | |||||||||||
| ВА80МА6 | 0,75 | 930 | 71 | 0,7 | 2,3 | 7,7 | 2 | 4,5 | 2,2 | 0,0033 | 38 |
| ВА80МВ6 | 1,1 | 930 | 71 | 0,71 | 3,3 | 11,3 | 2 | 4,1 | 2,2 | 0,0048 | 40 |
| ВА112МА6 | 3 | 950 | 81 | 0,78 | 7,2 | 30,1 | 2,2 | 5,5 | 2,6 | 0,024 | 73,5 |
| ВА112МВ6 | 4 | 945 | 82 | 0,8 | 9,3 | 40,4 | 2,2 | 5,5 | 2,6 | 0,029 | 78 |
| BA132S6 | 5,5 | 960 | 85 | 0,8 | 12,3 | 54,7 | 2 | 6,5 | 2,4 | 0,048 | 81 |
| ВА132М6 | 7,5 | 960 | 85,5 | 0,81 | 16,5 | 74,6 | 2,2 | 6,5 | 2,5 | 0,067 | 100 |
| BA160S6 | 11 | 970 | 87 | 0,81 | 23,7 | 108 | 1,8 | 6,5 | 2,7 | 0,11 | 175 |
| ВА160М6 | 15 | 970 | 88 | 0,84 | 30,8 | 148 | 1,8 | 6,5 | 2,5 | 0,15 | 200 |
| ВА180М6 | 18,5 | 975 | 89,5 | 0,83 | 37,8 | 181 | 1,8 | 6,5 | 2,5 | 0,27 | 225 |
| ВА200М6 | 22 | 975 | 90 | 0,84 | 44,2 | 215 | 2,2 | 6 | 2,2 | 0,41 | 285 |
| BA200L6 | 30 | 975 | 90 | 0,84 | 60,3 | 294 | 2,2 | 6 | 2,6 | 0,46 | 320 |
| ВА225М6 | 37 | 980 | 91 | 0,84 | 73,6 | 360 | 2,3 | 6,4 | 2,4 | 0,65 | 379 |
| 2р = 8, п = 750 об/мин | |||||||||||
| ВА112МА8 | 2,2 | 715 | 79 | 0,64 | 6,3 | 29,4 | 2,5 | 5 | 2,8 | 0,024 | 73,5 |
| ВА112МВ8 | 3 | 710 | 77,5 | 0,67 | 8,6 | 40,3 | 2,1 | 4,5 | 2,4 | 0,029 | 77,5 |
| BA132S8 | 4 | 715 | 83 | 0,7 | 10,5 | 53,4 | 1,9 | 5 | 2,3 | 0,053 | 85 |
| ВА132М8 | 5,5 | 715 | 83 | 0,74 | 13,6 | 73,4 | 1,9 | 5,5 | 2,4 | 0,074 | 99 |
| BA160S8 | 7,5 | 725 | 86 | 0,7 | 18,9 | 98,7 | 1,6 | 5 | 2,4 | 0,11 | 175 |
| ВА160М8 | 11 | 725 | 86 | 0,73 | 26,6 | 145 | 1,6 | 5 | 2,2 | 0,15 | 195 |
| ВА180М8 | 15 | 730 | 86 | 0,78 | 34 | 196 | 1,6 | 5,5 | 2,2 | 0,27 | 225 |
| ВА200М8 | 18,5 | 735 | 88 | 0,76 | 43 | 240 | 2 | 6,4 | 2,6 | 0,41 | 285 |
| BA200L8 | 22 | 730 | 88 | 0,78 | 49 | 288 | 2 | 6 | 2,5 | 0,46 | 310 |
| ВА225М8 | 30 | 735 | 91 | 0,8 | 62,6 | 390 | 2,1 | 5,4 | 2,2 | 0,7 | 380 |
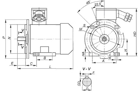
Габаритные и установочные размеры электродвигателей ВА.

| Типоразмер двигателя |
Число полюсов |
Габаритные размеры, мм |
Установочные и присоединительные размеры, мм |
||||||||||||||
|---|---|---|---|---|---|---|---|---|---|---|---|---|---|---|---|---|---|
| L | HD | Р | Н | GD | Е | В | С | F | А | НА | D | К | М | S | N | ||
| ВА80М | 2,4,6 | 355 | 300 | 200 | 80 | 6 | 50 | 100 | 50 | 6 | 125 | 10 | 22 | 10 | 165 | М10 | 130 |
| ВА112М | 2,4,6,8 | 495 | 360 | 300 | 112 | 8 | 80 | 140 | 70 | 10 | 190 | 14 | 32 | 12 | 265 | 15 | 230 |
| BA132S | 4,6,8 | 460 | 395 | 350 | 132 | 89 | 216 | 38 | 300 | 19 | 250 | ||||||
| ВА132М | 2,4,6,8 | 498 | 178 | ||||||||||||||
| BA160S | 2 | 710 | 490 | 350 | 160 | 8 | 110 | 108 | 12 | 254 | 20 | 42 | 15 | ||||
| 4,6,8 | 9 | 14 | 48 | ||||||||||||||
| ВА160М | 2 | 740 | 8 | 210 | 12 | 42 | |||||||||||
| 4,6,8 | 9 | 14 | 48 | ||||||||||||||
| BA180S | 2 | 690 | 525 | 400 | 180 | 203 | 121 | 279 | 22 | 350 | 300 | ||||||
| 4 | 10 | 16 | 55 | ||||||||||||||
| ВА180М | 2 | 730 | 9 | 241 | 14 | 48 | |||||||||||
| 4,6,8 | 10 | 55 | |||||||||||||||
| ВА200М | 2 | 765 | 560 | 450 | 200 | 267 | 133 | 318 | 28 | 19 | 400 | 350 | |||||
| 4,6,8 | 795 | 11 | 140 | 18 | 60 | ||||||||||||
| BA200L | 2 | 805 | 10 | 110 | 305 | 16 | 55 | ||||||||||
| 4,6,8 | 835 | 11 | 140 | 18 | 60 | ||||||||||||
| ВА225М | 2 | 840 | 610 | 550 | 225 | 10 | 110 | 311 | 149 | 16 | 356 | 30 | 55 | 500 | 450 | ||
| 4,6,8 | 870 | 11 | 140 | 18 | 65 | ||||||||||||
[/vc_column_text][/vc_column][/vc_row]